GYQ型空气干烧电加热管适用于各种空气加热系统,可用做烘箱,流态型空气加热器等加热设备。加热材质为10#钢或者不锈钢材质,加热介质上限温度一般为300°左右。
GYQ型空气干烧电加热管主要应用于:
空气干烧加热系统,如烘箱、烤箱、烤漆房等设备中。


1.GYQ型空气干烧电加热管外壳材质一般采用: 不锈钢304或者10#碳钢
2.GYQ型空气干烧电加热管电热丝材质可选:0Cr25Al5、0Cr21Al6Nb、0Cr27Al7Mo2、Cr20Ni80等
3.GYQ型空气干烧电加热管绝缘填充物:绝缘氧化镁粉
4.GYQ型空气干烧电加热管额定电压: 通常220V、380V等
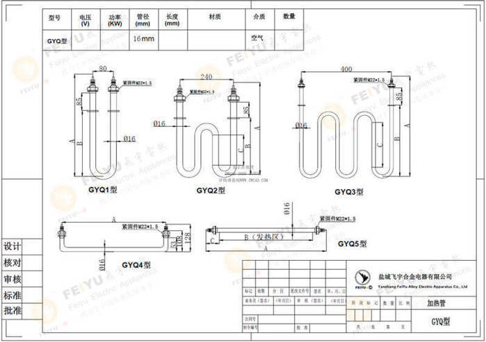
5.GYQ型空气干烧电加热管功率(表面负荷):参考下面表格
6.GYQ型空气干烧电加热管管径:16mm
7.GYQ型空气干烧电加热管长度、形状:参考下面表格
8.冷态绝缘电阻:出厂检验时冷态绝缘电阻应不小于50MΩ;密封试验后,长期存放或使用后的绝缘电阻应不小于1MΩ
9.冷态泄露电流:≤ 0.5 mA
10.冷态绝缘:1600v. 1/seg


1.非标定制,灵活生产,满足各种设备加热要求。
2.功率设计合理,使用寿命长。
3.硅胶压头处理,防水性好,使用安全。
4.我司产品获得德国权威认证机构-莱茵机构 CE认证证书,远销各国。【1.了解德国莱茵机构 2.查看CE证书与报告】。
注意事项:
GYQ型空气干烧电加热管一般都是错列布置在管道中,使流过的空气能充分加热,管道的四周应有较好的绝热层以减少损失。
GYQ型空气干烧电加热管之间的距离与风速有关,一般风速在8-12米较为合适,过高增加压力损失,过低影响效率,并易烧坏。
GYQ型空气干烧电加热管的电接头应放在保温层、加热室以外,接线时勿用力过猛。
GYQ型空气干烧电加热管的工作电压不得超过其额定值的10%,外壳应有效接地。
GYQ型空气干烧电加热管工作环境,湿度不大于95%,无爆炸性、腐 性气体。
GYQ型空气干烧电加热管应储藏在干燥之处,若因长期放置其对地绝缘电阻低于1M欧姆时,可在200℃左右的烘箱中干燥若干小时即可恢复。
GYQ型空气干烧电加热管的紧固螺母为M22*1.5,长为45mm.
单根管子接电源:直接根据电压大小来接线,通常220V,一个火线,一个零线; 380V,若只有2个接线柱,那么就是接2根火线即可。
多根管子接电源:可以根据实际情况采取:并联、串联、三角形接法或者Y型接法等。具体不明白的可以咨询我们的销售客服。
订购GYQ型空气干烧电加热管时需要告诉我们以下参数,以便我们立即给您报价:(若有图纸或图片提供更好)
告诉我们上述表格中的型号即可,若不在型号范围内,那就不是标准型号,请提供图纸尺寸即可。
上一产品:已经是第一个产品了
下一产品:液体加热U型电加热管