☑ 干烧电加热管-设计前提须知
在设计干烧电加热管之前,我们必须要搞明白几个事情:
①加热管是嵌入式干烧还是裸露空气干烧?
②裸露空气干烧的时候,是否有风循环?
③工作环境以及工作温度
④安装空间大小;
☑ 干烧电加热管选型指导-材质选择
干烧电加热管的护套材质选择主要根据电加热管的表面负荷来决定,表面负荷又决定电加热管的表度,一般可以按照如下材质选择:
| 管材质 | 建议表面负荷 | 加热介质 |
| 不锈钢304 、321、316L | 5W/cm2 | 静止的空气 |
| 不锈钢304 、321、316L | 5.5W/cm2 | 风速不低于6m/s |
| 不锈钢310S、英格莱840、800 | 10W/cm2 | 静止的空气 |
| 不锈钢310S、英格莱840、800 | 11W/cm2 | 风速不低于6m/s |
☑ 干烧电加热管选型指导-加热管样式的选择以及尺寸建议
※ 缠绕式翅片直棒型

功率 | L长度 | 翅片长度 A | 紧固件 |
500 | 500 | 440 | 管径12 配M18*1.5 |
700 | 700 | 640 | 管径12 配M18*1.5 |
800 | 800 | 740 | 管径12 配M18*1.5 |
1000 | 1000 | 940 | 管径12 配M18*1.5 |
1200 | 1200 | 1140 | 管径12 配M18*1.5 |
1500 | 1500 | 1440 | 管径12 配M18*1.5 |
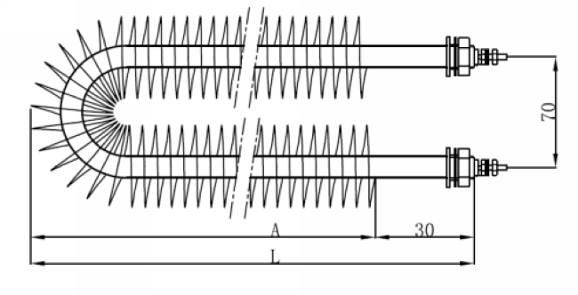
※ 缠绕式翅片U型
![1529373220453286.jpg L{Q2QQV]S83C(UKMUJ$B1TO](https://www.ycheater.com/storage/2838/article/20180801/1533092649297093..jpg)
功率 | L长度 | 翅片长度 A | 紧固件 |
500 | 200 | 170 | 管径12 配M18*1.5 |
1000 | 450 | 420 | 管径12 配M18*1.5 |
1500 | 700 | 670 | 管径12 配M18*1.5 |
2000 | 950 | 920 | 管径12 配M18*1.5 |
2500 | 1200 | 1170 | 管径12 配M18*1.5 |
3000 | 1500 | 1470 | 管径12 配M18*1.5 |
※ 缠绕式翅片W型

功率 | L长度 | 翅片长度 A | 紧固件 |
2000 | 500 | 470 | 管径12 配M18*1.5 |
2500 | 625 | 595 | 管径12 配M18*1.5 |
3000 | 750 | 720 | 管径12 配M18*1.5 |
3500 | 875 | 845 | 管径12 配M18*1.5 |
4000 | 1000 | 970 | 管径12 配M18*1.5 |
4500 | 1125 | 1095 | 管径12 配M18*1.5 |
※ 方形翅片25*50型

功率 | 长度 Length | 紧固件 |
200 | 140 | M14*1.5 |
500 | 250 | M14*1.5 |
750 | 350 | M14*1.5 |
1000 | 450 | M14*1.5 |
1500 | 650 | M14*1.5 |
2000 | 850 | M14*1.5 |
3000 | 1300 | M14*1.5 |
※ 方形翅片40*80型-可2根直棒,也可U型

功率 | 长度 L1 | 紧固件 |
1000 | 400 | M16*1.5 |
1500 | 600 | M16*1.5 |
2000 | 750 | M16*1.5 |
2500 | 1100 | M16*1.5 |
3000 | 1200 | M16*1.5 |
3500 | 1500 | M16*1.5 |
☑ 干烧电加热管选型指导-使用注意点
干烧电加热管使用最重要的一点原则是,散热要好,空气流动要好,或者嵌入孔中的时候,其间隙要小。只有干烧电加热管表面散热好,加热管的寿命才会好。
干烧电加热管使用时,额定电压需要稳定,偏差过大,会导致干烧电加热管表面负荷变大,造成表面温度过高,超负荷工作。
☑ 干烧电加热管 - 我们帮您设计
若您看了以上资料,还是不会选型,可以直接咨询我们: 13382641389
下一篇:【选型指导】液体电加热管选型指导